CSA A23.3 Plain Footing Bending Resistance
CSA A23.3 Plain Footing Bending Resistance
(OP)
Hi there,
I'm having some trouble understanding the meaning behind clause 22.6.5 in CSA A23.3-04. It states that for plain footing strength in bending "The factored resistance in bending shall be based on a maximum stress in tension of 0.37*lambda*phi_c*sqrt(f'c) and a maximum stress in compression of 0.75*phi_c*f'c". If I was to do a bending calculation and limit the tensile stress to the value given in the code clause, would the compression side of the footing not just be stressed to the equal and opposite amount, with the neutral axis occurring in the center of the footing? When would the compression stress limit ever apply? I feel like this is a basic question that should be easy to figure out with basic concrete principles, but for some reason it's not making sense to me.
I'm having some trouble understanding the meaning behind clause 22.6.5 in CSA A23.3-04. It states that for plain footing strength in bending "The factored resistance in bending shall be based on a maximum stress in tension of 0.37*lambda*phi_c*sqrt(f'c) and a maximum stress in compression of 0.75*phi_c*f'c". If I was to do a bending calculation and limit the tensile stress to the value given in the code clause, would the compression side of the footing not just be stressed to the equal and opposite amount, with the neutral axis occurring in the center of the footing? When would the compression stress limit ever apply? I feel like this is a basic question that should be easy to figure out with basic concrete principles, but for some reason it's not making sense to me.






RE: CSA A23.3 Plain Footing Bending Resistance
RE: CSA A23.3 Plain Footing Bending Resistance
RE: CSA A23.3 Plain Footing Bending Resistance
RE: CSA A23.3 Plain Footing Bending Resistance
RE: CSA A23.3 Plain Footing Bending Resistance
I like to debate structural engineering theory -- a lot. If I challenge you on something, know that I'm doing so because I respect your opinion enough to either change it or adopt it.
RE: CSA A23.3 Plain Footing Bending Resistance
Dik
RE: CSA A23.3 Plain Footing Bending Resistance
I like to debate structural engineering theory -- a lot. If I challenge you on something, know that I'm doing so because I respect your opinion enough to either change it or adopt it.
RE: CSA A23.3 Plain Footing Bending Resistance
RE: CSA A23.3 Plain Footing Bending Resistance
1) It's actually the moment distribution in the other direction that worries me.
2) I've seen that method presented for two way slabs as the reason that we're able to design for flexure at the column face. So I imagine that it's also the reason that we design footings for flexure at the column face (or near it). So would it not be double dipping to design for flexure at the column face AND take the reduction accrued by looking at the compression load?
I like to debate structural engineering theory -- a lot. If I challenge you on something, know that I'm doing so because I respect your opinion enough to either change it or adopt it.
RE: CSA A23.3 Plain Footing Bending Resistance
RE: CSA A23.3 Plain Footing Bending Resistance
I like to debate structural engineering theory -- a lot. If I challenge you on something, know that I'm doing so because I respect your opinion enough to either change it or adopt it.
RE: CSA A23.3 Plain Footing Bending Resistance
2) For isolated column footings, I would use either the moment at the face for the footing design or the maximum moment that occurs in the footing when accounting for the reduction in the moment diagram under the distributed bearing area of the column. Designing at the face of the column always assumes the max moment occurs.
RE: CSA A23.3 Plain Footing Bending Resistance
Consider the moment diagram that you're imagining in you head and that you would draw on the sketch of the strap beam etc. Now imagine the moment diagram that runs perpendicular to that. That's what concerns me.
Is it not standard practice to design for the moment of the face of the column? If so, then it seem to me that we should just leave it at that and let the compression business be interesting background trivia.
I like to debate structural engineering theory -- a lot. If I challenge you on something, know that I'm doing so because I respect your opinion enough to either change it or adopt it.
RE: CSA A23.3 Plain Footing Bending Resistance
RE: CSA A23.3 Plain Footing Bending Resistance
I like to debate structural engineering theory -- a lot. If I challenge you on something, know that I'm doing so because I respect your opinion enough to either change it or adopt it.
RE: CSA A23.3 Plain Footing Bending Resistance
RE: CSA A23.3 Plain Footing Bending Resistance
I would, yes, based on the same theory. I think that I saw the derivation in William Gamble's concrete slab text in reference to two way slabs. I suppose it's a bit different because, in most cases, you're sandwiched between a column above and below. In truth, right now is the first time that I've really thought about this is such detail. A little late to the party perhaps.
I like to debate structural engineering theory -- a lot. If I challenge you on something, know that I'm doing so because I respect your opinion enough to either change it or adopt it.
RE: CSA A23.3 Plain Footing Bending Resistance
Dik
RE: CSA A23.3 Plain Footing Bending Resistance
RE: CSA A23.3 Plain Footing Bending Resistance
I get it now post-haynewp. That said, it's the other direction that worries me and this would seem to be double dipping against the usual practice of taking moments at the column face.
I like to debate structural engineering theory -- a lot. If I challenge you on something, know that I'm doing so because I respect your opinion enough to either change it or adopt it.
RE: CSA A23.3 Plain Footing Bending Resistance
BA
RE: CSA A23.3 Plain Footing Bending Resistance
RE: CSA A23.3 Plain Footing Bending Resistance
RE: CSA A23.3 Plain Footing Bending Resistance
Dik
Dik
RE: CSA A23.3 Plain Footing Bending Resistance
RE: CSA A23.3 Plain Footing Bending Resistance
RE: CSA A23.3 Plain Footing Bending Resistance
RE: CSA A23.3 Plain Footing Bending Resistance
Why would such a procedure be unjustified? As I understand it, taking moment at the face is based on the derivation below. It's MacGregor rather than Gamble -- my bad. It seems to me that the same logic could be applied to both columns in a combined footing regardless of the relative loads.
I agree that moment peak smoothing can be applied in both directions simultaneously without double dipping. What I do believe is double dipping, however, is to both take moments at the column faces AND reduce moments by explicit consideration of compression / distributed load. That, because they would seem to be mathematically the same phenomenon.
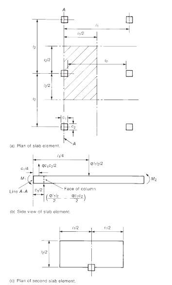
Thus far, I've been misunderstood in my concern. My concern is not about moment peak smoothing but that, in any direction, when we evaluate flexural capacity against what is, implicitly, and average moment demand that does not capture peak stress. That strikes me as a problem when the mode of failure is brittle, tensile concrete failure based on the flexural modulus of rupture. I feel as though we're assuming a redistribution capacity that doesn't exist. I've obviously done a terrible job of expressing my concern so far so I've included a sketch below to try to help with that. If others are doing this kind of thing more rigorously, I'd love to hear about it and how it's being undertaken. As I see it, we're designing to uniform, lateral moment distribution that is fictional.
I like to debate structural engineering theory -- a lot. If I challenge you on something, know that I'm doing so because I respect your opinion enough to either change it or adopt it.
RE: CSA A23.3 Plain Footing Bending Resistance
RE: CSA A23.3 Plain Footing Bending Resistance
I like to debate structural engineering theory -- a lot. If I challenge you on something, know that I'm doing so because I respect your opinion enough to either change it or adopt it.
RE: CSA A23.3 Plain Footing Bending Resistance
On the double dipping, starting on page 37 has a good presentation. We may be assuming a lateral distribution that doesn’t exist but it is permitted by my Code and has always worked as far as I know. The column and middle strip method would be better to account for that lack of lateral distribution ability when doing hand calcs.
https://repository.up.ac.za/bitstream/handle/2263/...
RE: CSA A23.3 Plain Footing Bending Resistance
Dik
RE: CSA A23.3 Plain Footing Bending Resistance
Right, but that's just a matter of scale and whether or not it's worth the effort to account for the moment peak smoothing. It doesn't invalidate the use of the method on any technical basis. The impact of the central column would be minimal and the analysis would reflect that.
It's a fine presentation of FEM results (below) but the document is entirely geared towards reinforced footings which will tolerate inaccuracies in the assumed lateral distribution of moment. My concern is for plain footings where, one would assume, first rupture = failure. To my knowledge, we in north america don't even have the SD methods represented by the step functions in the graphs below except to the extent that designers might wisely be doing that of their own volition. Folks just use the straight average moment.
To me, the situation is akin to attempting to design a plain concrete two-way slab using only the averaged panel moment for design. And, of course, that sounds kinda nuts.
I like to debate structural engineering theory -- a lot. If I challenge you on something, know that I'm doing so because I respect your opinion enough to either change it or adopt it.
RE: CSA A23.3 Plain Footing Bending Resistance
There is a significant reduction in the phi value for ACI when designing plain concrete. I would assume part of that is the recognized lack of ductility.
RE: CSA A23.3 Plain Footing Bending Resistance
I like to debate structural engineering theory -- a lot. If I challenge you on something, know that I'm doing so because I respect your opinion enough to either change it or adopt it.
RE: CSA A23.3 Plain Footing Bending Resistance
RE: CSA A23.3 Plain Footing Bending Resistance
RE: CSA A23.3 Plain Footing Bending Resistance
I like to debate structural engineering theory -- a lot. If I challenge you on something, know that I'm doing so because I respect your opinion enough to either change it or adopt it.
RE: CSA A23.3 Plain Footing Bending Resistance
Uhh.. I feel as though I might be picking up some sarcasm there. Were you not enjoying yourself haynewp? I honestly can't tell a lot of the time around here. In the world of anonymous cyberspace I can't, for the life of me, understand why anybody would bother participating in anything they don't enjoy. Yet some folks seem to.
I like to debate structural engineering theory -- a lot. If I challenge you on something, know that I'm doing so because I respect your opinion enough to either change it or adopt it.