Unclear about ACI318M-14. Section 25.4.2.2
Unclear about ACI318M-14. Section 25.4.2.2
(OP)
ACI318M-14 section 25.4.2.2 mentions the development length without hook in tension (L1).
Condition-1
Clear spacing or bars being developed or spliced not less than db, clear not less than db, and stirrup or ties throughout ld not less than the code minimum or clear spacing or bars being developed od spliced not less than 2db and clear cover not less than db.
db = nominal diamater of bar, (mm).
ld = development length for deformed bars in tension, (mm).
Condition-2
Other cases of condition-1.
I want to ask about the understanding of condition 1 and condition 2?
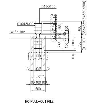
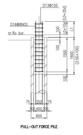
Is condition 1 for pile no pull out force pile, and condition 2 to pull out force pile?
Please help for the explanation.
Thank you & Best Regards,
Hamzah


Condition-1
Clear spacing or bars being developed or spliced not less than db, clear not less than db, and stirrup or ties throughout ld not less than the code minimum or clear spacing or bars being developed od spliced not less than 2db and clear cover not less than db.
db = nominal diamater of bar, (mm).
ld = development length for deformed bars in tension, (mm).
Condition-2
Other cases of condition-1.
I want to ask about the understanding of condition 1 and condition 2?
Is condition 1 for pile no pull out force pile, and condition 2 to pull out force pile?
Please help for the explanation.
Thank you & Best Regards,
Hamzah







RE: Unclear about ACI318M-14. Section 25.4.2.2
They are purely related to bar spacing , cover and ties!
RE: Unclear about ACI318M-14. Section 25.4.2.2
Condition No Pull Out Force Pile