New to me design, how do I dimension it?
New to me design, how do I dimension it?
(OP)
I just started as an engineer again and need some advice for my first design. I am building a simple checking fixture for our products.
What I am building:

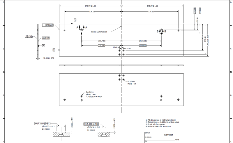
I have this base plate here with 4 nets to locate the part per the customer print. I did a bunch of research in true positioning these 4 holes, so that is what I found. I have also specified countersunk holes, to slip-fit the net details. The location of these 4 holes in relation to each other is most critical, everything else doesn't need to be accurate.
Is my method of specifying these dimensions off a center-line good practice? The true positioning, does that make sense? How would you communicate my intent?
Base Plate

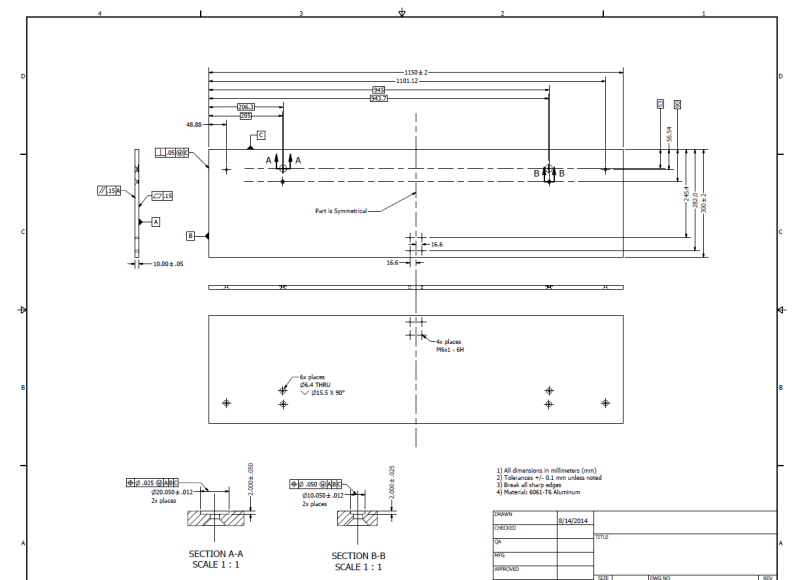
The next part, the Slot Base, will interface with the Base Plate. It is designed to slide back to mount the part, then it slides forward to nest with the larger diameter net holes on the base plate. So the critical dimensions on this is the location of the radius of the large slot on one side. In addition, I have two holes to dowel a spacer (which then dowels to the gage), so these dowel holes in relation to the large slot is critical.
Slot Base, the detailing shown is not complete
What I am building:

I have this base plate here with 4 nets to locate the part per the customer print. I did a bunch of research in true positioning these 4 holes, so that is what I found. I have also specified countersunk holes, to slip-fit the net details. The location of these 4 holes in relation to each other is most critical, everything else doesn't need to be accurate.
Is my method of specifying these dimensions off a center-line good practice? The true positioning, does that make sense? How would you communicate my intent?
Base Plate

The next part, the Slot Base, will interface with the Base Plate. It is designed to slide back to mount the part, then it slides forward to nest with the larger diameter net holes on the base plate. So the critical dimensions on this is the location of the radius of the large slot on one side. In addition, I have two holes to dowel a spacer (which then dowels to the gage), so these dowel holes in relation to the large slot is critical.
Slot Base, the detailing shown is not complete





RE: New to me design, how do I dimension it?
Also I always work from a surface, such as Data B in this case. If you use a centerline someone will have to find the centerline first, probably using the sides as the references so why not just reference from the sides in the first place.
RE: New to me design, how do I dimension it?