Simulink - Warning algebric loop
Simulink - Warning algebric loop
(OP)
Hi,
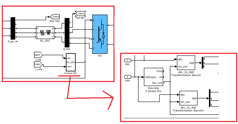
I've a circuit on simulink where I collect three phase currents and voltages from a measuremnt bus and then use them in blocks of abc-to-dq transformation. When I run the circuit for the first time I get the following message:
So, I check the option "minimize algebric loop occurrences and then I get the following message:
I think this loop is affecting my results but I need to do the abc-to-dq transformation. How can I solve this? Would a block delay help in this situation?
Thanks in advance
I've a circuit on simulink where I collect three phase currents and voltages from a measuremnt bus and then use them in blocks of abc-to-dq transformation. When I run the circuit for the first time I get the following message:
CODE -->
This algebraic loop may be resolved when the subsystem option 'Minimize algebraic loop occurrences' is selected on some or all of the atomic and enabled subsystems in this algebraic loop.
So, I check the option "minimize algebric loop occurrences and then I get the following message:
CODE -->
Warning: If the inport 'dfig_controloGSC_v2/Controlo GSC/Iabc' of subsystem 'dfig_controloGSC_v2/Controlo GSC' involves direct feedback, then an algebraic loop exists, which Simulink cannot remove. Consider clearing the 'Minimize algebraic loop occurrences' parameter to avoid this warning. > In testeGSC at 65 In run at 74 Warning: If the inport 'dfig_controloGSC_v2/Controlo GSC/Vabc' of subsystem 'dfig_controloGSC_v2/Controlo GSC' involves direct feedback, then an algebraic loop exists, which Simulink cannot remove. Consider clearing the 'Minimize algebraic loop occurrences' parameter to avoid this warning.
I think this loop is affecting my results but I need to do the abc-to-dq transformation. How can I solve this? Would a block delay help in this situation?
Thanks in advance





RE: Simulink - Warning algebric loop
one is the number of people who don't google before asking
the other is why they don't look at the mathworks forums
http://www.mathworks.com/matlabcentral/answers/953...
Cheers
Greg Locock
New here? Try reading these, they might help FAQ731-376: Eng-Tips.com Forum Policies http://eng-tips.com/market.cfm?