×
INTELLIGENT WORK FORUMS
FOR ENGINEERING PROFESSIONALS

Log In

Come Join Us!

Are you an
Engineering professional?
Join Eng-Tips Forums!
  • Talk With Other Members
  • Be Notified Of Responses
    To Your Posts
  • Keyword Search
  • One-Click Access To Your
    Favorite Forums
  • Automated Signatures
    On Your Posts
  • Best Of All, It's Free!
  • Students Click Here

*Eng-Tips's functionality depends on members receiving e-mail. By joining you are opting in to receive e-mail.

Posting Guidelines

Promoting, selling, recruiting, coursework and thesis posting is forbidden.

Students Click Here

Jobs

Neutral to minimize voltage imbalance
5

Neutral to minimize voltage imbalance

Neutral to minimize voltage imbalance

(OP)
If a Feeder ckt supplies only 3-ph and 208 1-ph loads, will adding the neutral conductor minimize voltage imbalance ? Or does neutral accomplish nothing ?

RE: Neutral to minimize voltage imbalance

If you make no connection to the neutral, what could it do?

RE: Neutral to minimize voltage imbalance

If you have only balanced three phase loads and your single phase load is connected phase to phase, there is no need for the neutral.  Think about the current flow.  What do you expect to see on the neutral under these conditions?

RE: Neutral to minimize voltage imbalance

Is this a theoretical question or are you experiencing voltage imbalance and seeking a solution?

There are cases where connecting the neutral will solve voltage inbalance, but this is because a ground fault exists that will be revealed (in a bad way) when you connect the neutral to ground.  

RE: Neutral to minimize voltage imbalance

In my opinion, if the system is supplied by a low-voltage star connected transformer and the consumers are phase-to-neutral [one phase] supplied, the three phase voltage will stay equilibrated if the loads are different only if it is a continuous return of neutral conductor to the source.
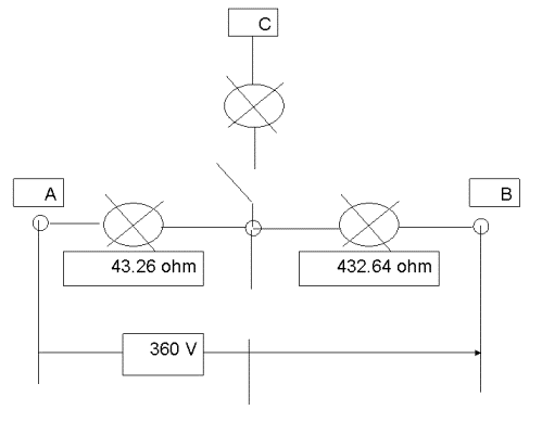
For instance let's take a building of 3 dwelling units. Let's say apartment A load is 1000 w at 208 V. Phase A to neutral resistance is then ResA=208^2/1000=43.26 ohm.
Let's say apartment B load is 100 w and Phase B to neutral resistance will be ResB=208^2/100=432.64 ohm.
Now, let's say no load for apartment C. If no neutral is provided-that means the neutral is disconnected at the common building supply cable- then from live A to live B will be 208*sqrt(3)=360 V.[See the sketch]
The common current flowing from A to B=360/ (432.64+43.264) =0.75646 A.
Then the A load will get 0.75646*43.26=32.72 V and the load B 0.75646*432.64=327.27 V.
If a neutral continuous conductor is provided the voltage will be equilibrated and the each individual current will flow back to the source [transformer].

RE: Neutral to minimize voltage imbalance

Zanoter,

I believe that you misunderstood the OP.  The system is 208V Ø-Ø (208/120Y - common in USA) and there are no loads connected Ø-N.

I agree with others that there is no need for a neutral conductor.  There is a need for an equipment grounding conductor to ensure tripping for ground faults.
 

RE: Neutral to minimize voltage imbalance

Thank you, jghrist. I agree with you now, of course. [My European complex of 230/400 V!]. I forgot the good 110 V old time!

Red Flag This Post

Please let us know here why this post is inappropriate. Reasons such as off-topic, duplicates, flames, illegal, vulgar, or students posting their homework.

Red Flag Submitted

Thank you for helping keep Eng-Tips Forums free from inappropriate posts.
The Eng-Tips staff will check this out and take appropriate action.

Reply To This Thread

Posting in the Eng-Tips forums is a member-only feature.

Click Here to join Eng-Tips and talk with other members!


Resources